



- Stock: In Stock
- Model: SCJ009728
- SKU: SCJ009728
Available Options
Ask a Question About This Product
- Description
Brief
Description
High precision ball screw bearing is sold at a, diameters 8mm, 15mm, 30mm and 40mm are available. Sliding friction between the nut and the screw of the part is small, widely used in CNC machine.
Note: C7 level uses deep groove ball bearings to a maximum clearance of 0.005-0.1mm.
Specification
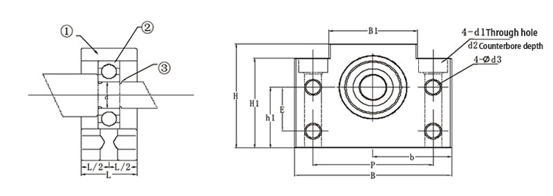
| Model | SCJ009728 | SOCOJE-BSB-BF15 | SOCOJE-BSB-BF20 | SOCOJE-BSB-BF30 | SOCOJE-BSB-BF40 |
| Shaft Diameter | 8mm | 15mm | 20mm | 30mm | 40mm |
| Accuracy Grade | C7 | C7 | C7 | C7 | C7 |
| Use Stop Ring | C8 | C15 | C20 | C30 | C40 |
| L | 20 | 20 | 26 | 32 | 37 |
| B | 60 | 70 | 88 | 128 | 160 |
| H | 39 | 48 | 60 | 89 | 110 |
| b±0.02 | 30 | 35 | 44 | 64 | 80 |
| h1±0.05 | 22 | 28 | 34 | 51 | 60 |
| B1 | 34 | 40 | 52 | 76 | 100 |
| H1 | 32.5 | 38 | 50 | 78 | 90 |
| E | 15 | 18 | 22 | 33 | 37 |
| P | 46 | 54 | 70 | 102 | 130 |
| d3 | 5.5 | 5.5 | 6.6 | 11 | 14 |
| d1 | 6.6 | 6.6 | 9 | 14 | 18 |
| d2 | 10.8 | 11 | 14 | 20 | 26 |
| h | 5 | 6.5 | 8.5 | 13 | 17.5 |
| Weight | 0.29kg | 0.38kg | 0.76kg | 1.97kg | 3.27kg |
| Certificate | ISO9001, REACH, RoHS | ||||
| Warranty | 12 Months | ||||
Ball Screw Bearing Diameter 30mm Dimension (unit: mm)
Part Details
| Number | Part Name | Quantity |
| 1 | Housing | 1 PC |
| 2 | Bearing | 1 Set |
| 3 | Snap Ring | 1 PC |
Tips: Ball screw features
1. Low friction loss and high transmission efficiency
Because there are many balls in the rolling motion between the screw shaft and the screw nut of the ball screw pair, higher motion efficiency can be obtained. Compared with the past sliding screw pair, the driving torque is less than 1/3, that is, the power required to achieve the same motion result is 1/3 of the use of the sliding screw pair. Very helpful in terms of power saving.
2. High precision
Ball screws are generally produced continuously with the world's highest level of machinery and equipment. Especially in the factory environment of grinding, assembly, and inspection, the temperature and humidity are strictly controlled. Due to the perfect quality management system The accuracy is fully guaranteed.
3. High-speed feed and micro feed are possible
Because the ball screw pair uses ball motion, the starting torque is extremely small, and there will be no crawling phenomenon like sliding motion, which can ensure the realization of accurate micro feed.
4. High axial rigidity
The ball screw pair can be preloaded. Because the preload can make the axial gap reach a negative value, higher rigidity can be obtained. The repulsive force of the ball can increase the rigidity of the nut).
5. Ball srew cannot be self-locked and has the reversibility of transmission
1. Low friction loss and high transmission efficiency
Because there are many balls in the rolling motion between the screw shaft and the screw nut of the ball screw pair, higher motion efficiency can be obtained. Compared with the past sliding screw pair, the driving torque is less than 1/3, that is, the power required to achieve the same motion result is 1/3 of the use of the sliding screw pair. Very helpful in terms of power saving.
2. High precision
Ball screws are generally produced continuously with the world's highest level of machinery and equipment. Especially in the factory environment of grinding, assembly, and inspection, the temperature and humidity are strictly controlled. Due to the perfect quality management system The accuracy is fully guaranteed.
3. High-speed feed and micro feed are possible
Because the ball screw pair uses ball motion, the starting torque is extremely small, and there will be no crawling phenomenon like sliding motion, which can ensure the realization of accurate micro feed.
4. High axial rigidity
The ball screw pair can be preloaded. Because the preload can make the axial gap reach a negative value, higher rigidity can be obtained. The repulsive force of the ball can increase the rigidity of the nut).
5. Ball srew cannot be self-locked and has the reversibility of transmission.
- Reviews














