



- Stock: In Stock
- Model: SCJ009727
- SKU: SCJ009727
Available Options
Ask a Question About This Product
- Description
Brief
Description
Ball screw end support accuracy grade C5, diameter can be selected from 4mm, 6mm, 10mm to 20mm, the parts have low friction between the nut and the lead screw and have a long service life time.
Note: Class C5 uses angular contact bearings preloaded with zero axial clearance.
Specification
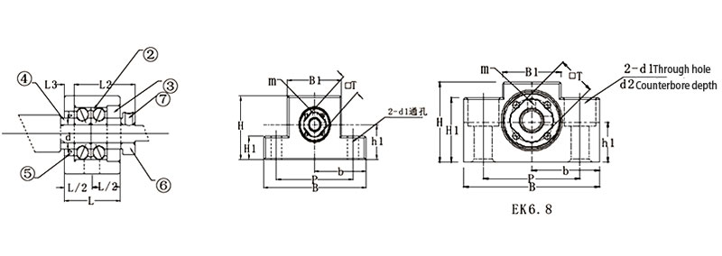
| Model | SCJ009727 | SOCOJE-BSB-EK6 | SOCOJE-BSB-EK10 | SOCOJE-BSB-EK15 | SOCOJE-BSB-EK20 |
| Shaft Diameter | 4mm | 6mm | 10mm | 15mm | 20mm |
| Accuracy Grade | C5 | C5 | C5 | C5 | C5 |
| L | 15 | 20 | 24 | 25 | 42 |
| L1 | 5.5 | 5.5 | 6 | 6 | 10 |
| L2 | 17.5 | 22 | 29.5 | 36 | 50 |
| L3 | 3 | 3.5 | 6 | 5 | 10 |
| B | 34 | 42 | 70 | 80 | 95 |
| H | 19 | 25 | 43 | 49 | 58 |
| b±0.02 | 17 | 21 | 35 | 40 | 47.5 |
| h1±0.05 | 10 | 13 | 25 | 30 | 30 |
| B1 | 18 | 18 | 36 | 41 | 56 |
| h | 7 | 20 | 24 | 25 | 25 |
| P | 26 | 30 | 52 | 60 | 75 |
| d1 | 4.5 | 5.5 | 9 | 11 | 11 |
| d2 | / | 9.5 | / | / | / |
| h | / | 11 | / | / | |
| M | M2.6 | M3 | M3 | M3 | M4 |
| T | 10 | 14 | 16 | 22 | 30 |
| Weight | 0.06kg | 0.14kg | 0.46kg | 0.55kg | 1.35kg |
| Certificate | ISO9001, REACH, RoHS | ||||
| Warranty | 12 Months | ||||
Ball Screw Bearing Dimension (unit: mm)
20mm Diameter Ball Screw Support Bearing Part Details
| Number | Part Name | Quantity |
| 1 | Housing | 1PC |
| 2 | Bearing | 1 Set |
| 3 | Holding Lid | 1 PC |
| 4 | Collar | 2 PCS |
| 5 | Scal | 2 PCS |
| 6 | Lock Nut | 1 Set |
| 7 | Hexagon socket nut | 1PC |
Tips: The role of ball screw bearing
The two ends of the ball screw can be installed on a fixed seat and a support seat after processing. The support seat is a unity of the two methods. The fixing seat and the supporting seat are installed on both ends of the screw to fix the screw, and the mold uses ball screw bearings. Rotating. In fact, the two ends of the ball screw are installed at the two ends of the ball screw to fix the wire.
- Reviews














