
- Stock: In Stock
- Model: SCJ009326
- SKU: SCJ009326
Available Options
Ask a Question About This Product
- Description
11 Stepper Motor Linear Actuator, 2 phase, 2.66V, 0.95A
Brief
Description
2 phase 2.66V, 0.95A Nema 11 Stepper Motor Linear Actuator with excellent quality and resonable price. To meet the needs of a wide range of linear motion applications, two stepper motor linear actuator styles are available:
Non-captive shaft has a threaded shaft that extends through the motor and moves axially as the motor rotates.
External shaft has a rotating screw, integral to the motor's rotor, that moves the nut axially along the threaded shaft.
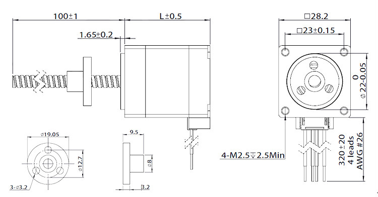
Stepper Motor Linear Actuator Specification
| Model | External Shaft | Non-Captive Shaft |
| 28H32-0956AST | 28H32-0956GTS | |
| Weight | 3 kg | |
| Length | 32 mm | |
| Screw Diameter | 8 mm (0.315 inch) | |
| Screw Lead | 8 mm/rev (0.315 inch/rev) | |
| Travel Per 1.8 Step | 0.04 mm/step (0.00157 inch/step) | |
| Phase | 2 phase | |
| Step Angle | 1.8° | |
| Rated Voltage | 2.66 V | |
| Rated Current | 0.95 A | |
| Resistance | 2.8 Ω | |
| Holding Torque | 6 Oz-in | |
| Number of Leads | 6 | |
| Rotor Inertia | 9 g-cm2 | |
Stepper Motor Linear Actuator Dimension (Unit=mm)
1. Non-captive shaft style
L=32mm
2. External shaft style
L=32mm
Details

Tips: What is a stepper motor linear actuator?
Stepper motor linear actuator is a driving unit which converts electric pulsing signal into microstep linear motion. It adopts a stepper motor as a rotating power source and transforms rotating motion into linear motion through screw type motion. It is a device that can replace a rotating stepper motor directly, and finally get linear motion through a set of intermediate conversion mechanism.
Stepper motor linear actuator has simple structure and needs no intermediate conversion device. The movable part is light in weight, small in inertia and no accumulative positioning error. It is an ideal linear driving device with high positioning accuracy. The hybrid linear stepper motor is developing rapidly and has been widely applied in many fields, such as numerical control machine, autoplotter, computer device, robot, precision meter, transmission apparatus, automatic door opening and detection control.
- Reviews














