
- Stock: In Stock
- Model: SCJ009341
- SKU: SCJ009341
Available Options
Ask a Question About This Product
- Description
Nema 23 Stepper Motor Linear Actuator, 2 phase, 4A, 2Nm
Brief
Description
This Nema 23 stepper motorl inear actuator has 2 phase stepper motor and 152mm length lead screw, available in external shaft style and non-captive shaft style version. Rated current of 4A and holding torque of 2 Nm, there are 9 different lead screw specifications for selection.
Stepper Motor Linear Actuator Specification
| Model Type | External Shaft | Non-Captive Shaft |
| 57H280-4004AST | 57H280-4004GTS | |
| Weight | 2 kg | |
| Motor Length | 80 mm | |
| Phase | 2 phase | |
| Step Angle | 1.8° | |
| Rated Current | 4 A | |
| Resistance | 0.65 Ω | |
| Holding Torque | 2 Nm | |
| Rotor Inertia | 400 g-cm2 | |
Select Leadscrew
Choose your stepper motor linear actuator screw from one of the available options:
| Screw Diameter | Lead | Travel Per 1.8 Step | |||
| (in) | (mm) | (in/rev) | (mm/rev) | (in/step) | (mm/step) |
| 0.315 | 8 | 0.079 | 2 | 0.00039 | 0.01 |
| 0.315 | 8 | 0.157 | 4 | 0.00079 | 0.02 |
| 0.315 | 8 | 0.315 | 8 | 0.00157 | 0.04 |
| 0.394 | 10 | 0.079 | 2 | 0.00039 | 0.01 |
| 0.394 | 10 | 0.157 | 4 | 0.00079 | 0.02 |
| 0.394 | 10 | 0.394 | 10 | 0.00197 | 0.05 |
| Note: Screw of 8mm diameter is made of copper, and the screw of 10mm diameter is made of plastic. | |||||
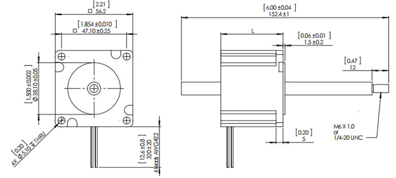
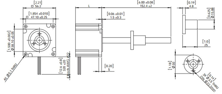
Stepper Motor Linear Actuator Dimension (Unit=mm)
1. Non-captive shaft style

L=80mm
2. External shaft style

L=80mm
Details

Tips: Daily maintenance of stepper motor linear actuator
We must have maintenance of the stepper motor linear actuator in our daily work in order to guarantee the safety, reliability, economy and long-time running of the stepper motor linear actuator so as to meet the demand of production:
- Keep the motor clean and prevent oil, water and other pollution from entering the motor.
- Check whether the connecting terminal bolt and base fixed bolt of the motor are loose.
- Check the rotation of the motor fan.
- Check whether the motor shell is obviously heated and whether the bearings at both ends have oil leakage.
- Please note if there is abnormal nose, vibration and special smell of the motor in operation.
- Reviews









