





- Stock: In Stock
- Model: SCJ009362
- SKU: SCJ009362
Available Options
Ask a Question About This Product
- Description
Nema 34 Stepper motor, 3 Phase, 3.2A, 8.5N·m
Brief
Description
Cost-effective powerful Nema 34 hybrid stepper motor has 145mm length for CNC machine, 3D printer, robot arm, laser cutter and so on. This 3 phase bipolar stepper motor has the best attributes of the variable reluctance stepper motor and a permanent magnet stepper motor.
Physical Specification
- Model Number: SOCOJE-FY86TC320A
- Matched the Driver Model: SOCOJE-FYTM2205T
- Flanged Size: 86 x 86mm (Nema 34)
- Motor Length: 145mm
- Shaft Diameter: 14mm
- Number of Leads: 4 wire
- Weight: 4.7kg
Electrical Specification
- Motor Type: Bipolar Stepper
- Step Angle: 1.2°
- Rated Current: 3.2A
- Holding Torque: 850 N·cm (8.5 N·m, 1204 Oz.in)
- Phase Resistance: 2.6Ω
- Phase Inductance: 9.57mH
- Rotor Inertia: 4560g·cm2
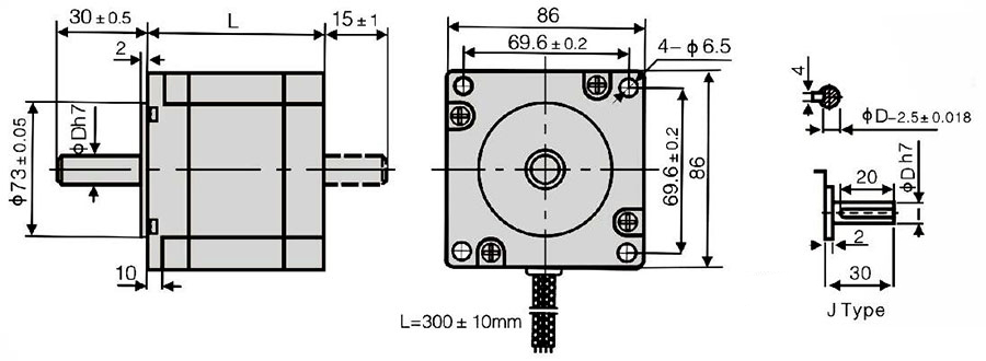
Dimensions (Unit: mm)
L=145mm

Wiring Diagram

Speed-Torque Curve Diagram

Details

Tips: Difference between stepper motor and DC motor
The difference between stepper motor and DC motor in nature is that the DC motor can directly convert current into mechanical energy, and the stepper motor cannot transfer the current. The stepper motor controls the normal operation of the motor through pulse signal conversion, and the controlled objects are different between the two.
The hybrid stepper motor guarantees the rotation of the stepper motor by inputting electric pulses. The input of electric pulses urges angular displacement or linear displacement to ensure that the number of pulses is proportional to the speed and frequency. If the winding direction is opposite, the direction of rotation of the motor will also be opposite. Control the rotation of the bipolar stepper motor by controlling the number of pulses and the direction of the winding.
The DC motor is relatively simple. The armature is mainly powered by brushes. The surface current of the points is mainly consistent with the direction of the armature. The armature is mainly divided into N-pole and S-pole lower conductors. The conductor is guaranteed according to the left-hand rule. Be affected. In this way, the electrical windings of the entire DC motor will rotate, and then the DC electrical energy will be converted into mechanical energy.
Documents
- Reviews














