





Nema 4 Micro Stepper Motor, 5V, 2 Phase, Bipolar
from
$34.15
Ex Tax: $34.15
- Stock: In Stock
- Model: SCJ009342
- SKU: SCJ009342
Products Sold: 0
Product Views: 2214
Available Options
Ask a Question About This Product
- Description
Nema 4 Micro Stepper Motor, 5V, 2 Phase, Bipolar
Brief
Micro stepper motor size in Nema 4 (10mm). Rated voltage 5V, current 0.33A/0.27A/0.128A for selection, 2 phase, step angle 18°, resistance 15/18/39Ω, holding torque 1.6/1.3/1.3 mN-m. Cheap miniature stepper motor with metal gear, bipolar drive.
Description
Nema 4 micro stepper motor with metal gear. Rated voltage DC 5V, optional current 0.33A/0.27A/0.128A, corresponding resistance 15Ω/18Ω/39Ω, diameter 10mm, stepping angle 18 degree. 2 phase miniature bipolar stepper motor, wide applications.
Specification Datasheet
| Model | SCJ009342 | SOCOJE-SM1051 | SOCOJE-SM1055 |
| Rated Voltage | 5V | 5V | 5V |
| Rated Current | 0.33A | 0.27A | 0.128A |
| Resistance | 15Ω | 18Ω | 39Ω |
| Phase | 2 Phase | 2 Phase | 2 Phase |
| Stepping Angle | 18° | 18° | 18° |
| Excitation Method | 2 | 2 | 2 |
| Pull-in Torque | 0.6 mN-m (500 pps) | 0.32 mN-m (500 pps) | 0.35 mN-m (500 pps) |
| Pull-out Torque | 0.7 mN-m (500 pps) | 0.45 mN-m (500 pps) | 0.45 mN-m (500 pps) |
| Holding Torque | 1.6 mN-m (0 pps) | 1.3 mN-m (0 pps) | 1.3 mN-m (0 pps) |
| Max. Continuous Response Frequency | 1200 pps | 1600 pps | 1200 pps |
| Max. Starting Frequency | 900 pps | 1000 pps | 900 pps |
| Drive Mode | Bipolar Drive | ||
| Ambient Temperature | -10℃~55℃ | ||
| Insulation Resistance | 500VDC 50MΩ min | ||
| Insulation Grade | E | ||
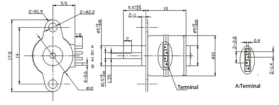
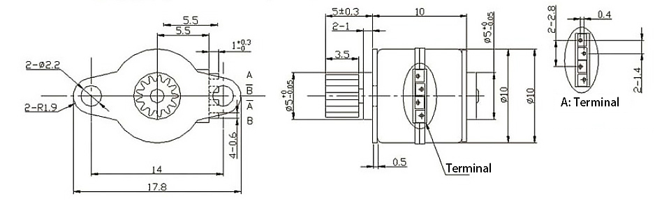
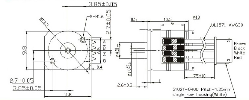
Phase Sequence Excitation & Dimensions Diagram (Unit: mm)
- 5V 0.33A Micro Stepper Motor (SCJ009342)
| Connector PIN Location | ||||||
| PIN No. | Color | CCW←→CW (Seen from flange side) | Phase | |||
| 1 | - | ON | - | - | ON | A |
| 2 | - | - | - | ON | ON | B |
| 3 | - | - | ON | ON | - | A |
| 4 | - | ON | ON | - | - | B |

- 5V 0.27A Micro Stepper Motor (ATO-SM1051)
| Connector PIN Location | ||||||
| PIN No. | Color | CCW←→CW (Seen from flange side) | Phase | |||
| 1 | - | ON | - | - | ON | A |
| 2 | - | - | - | ON | ON | B |
| 3 | - | - | ON | ON | - | A |
| 4 | - | ON | ON | - | - | B |

- 5V 0.128A Micro Stepper Motor (ATO-SM1055)
| Connector PIN Location | ||||||
| PIN No. | Color | CCW←→CW (Seen from flange side) | Phase | |||
| 1 | Brown | - | ON | ON | - | B |
| 2 | Black | ON | - | - | ON | B |
| 3 | White | ON | ON | - | - | A |
| 4 | Red | - | - | ON | ON | A |

Details

Tips: Nema 4 micro stepper structure.
Nema 4 micro stepper is mainly composed of base body, rotor, gear and linear guide.
- The base body also acts as a stator, with magnetic poles, stator teeth, coils and control circuits on its surface.
- The rotor is located above the stator, with mover teeth on the lower surface. The function of guide rail is equivalent to a linear bearing, keeping the rotor in place.
- There is a shell above the guide rail and rotor for sealing. The rotor is separated from the surrounding elements by an air gap.
- Reviews














